General-purpose input/output (GPIO)

From Stm32World Wiki
Jump to navigation Jump to search
Random board with a STM32 MCU

A general-purpose input/output (GPIO) is an uncommitted digital signal pin on an integrated circuit or electronic circuit board which may be used as an input or output, or both, and is controllable by the user at runtime.

Video

Watch on Youtube here: https://www.youtube.com/watch?v=TSDS3op91TE

Internal Architecture

All STM32 MCUs have a high number of GPIOs. In fact, almost all pins on a MCU package, which is not dedicated a power pin are GPIOs:

STM32F40xxx LQFP64 pinout.png

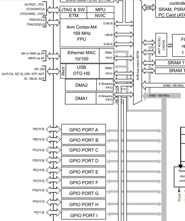
The GPIOs are divided into a number of ports (the actual number depends on the pins available on any particular package) labelled with letters and starting with "PortA".

STM32 block diagram GPIO ports.png

Each of these ports control up to 16 individual GPIOs each controlled individually through 4 32-bit control registers. The electrical architecture of each GPIO looks like this:

GPIO pin circuit.png