Black Pill
The Black Pill development board is a good choice.
Of the commercially available development modules, this is one of the best and most certainly the cheapest reasonable option out there. It was designed by WeAct Studio, but like the Blue Pill many different versions exist. Unlike the Blue Pill, at least at the time of writing this, they all appear to be using genuine STM32 processors (read: no cheaper clones exist).
Here are two different ones, both of which I suspect are clones (and both of which are working just fine):
Videos
The Black Pill board is used in several (not all) of our tutorial videos.
You can watch the video on youtube here: https://www.youtube.com/watch?v=O6cNvE9ZrVU (full series here).
Features
The Black Pills are typically based on a STM32F401 or STM32F411 (both of the above are the F411 version) and offers the following specs:
- STM32F4 (STM32F401 or STM32F411) processor
- Same footprint (I/O pins)
- 25 MHz main crystal
- 32.768 kHz RTC crystal
- 512 kB Flash (STM32F411 version)
- 128 kB RAM
- 1 ADC (no DAC)
- USB-C connector
- Programming header (no SWO)
Pinout
The pinout of all the Black Pill boards are defined like this:
Always look at the actual silk-screen print on the board itself as there might be minor differences.
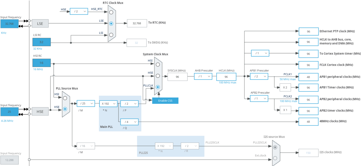
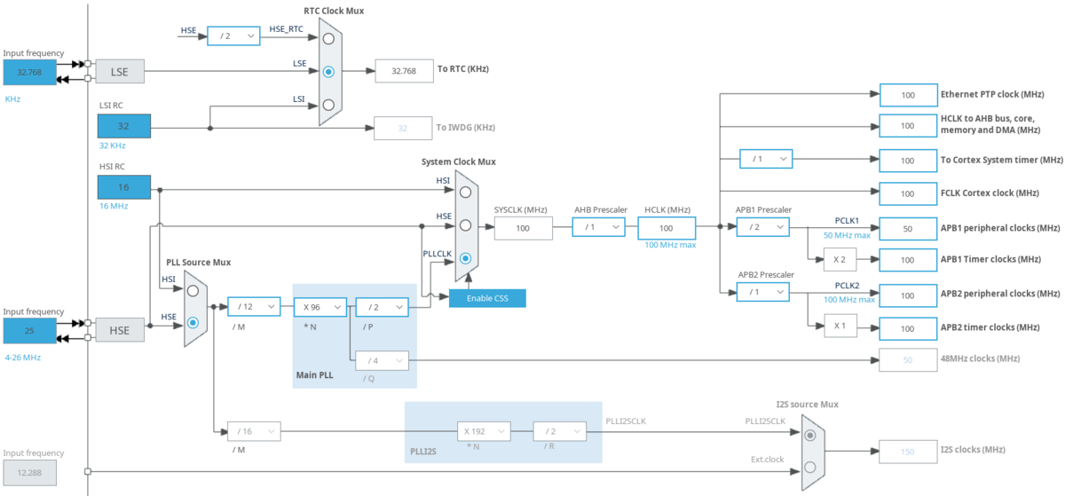
Clock Oddity
The Black Pill boards are built around a STM32F411 MCU. These MCUs are equipped with a 25 MHz crystal and they can be clocked up to 100 MHz like shown in the following screen shot:
The devices are also equipped with a USB port. Unfortunately, USB peripheral require a very precise 48 MHz clock and it is impossible to derive a 48 MHz clock from a 25 MHz crystal when that is configured for 100 MHz core frequency. The only way to fix this is by lowering the MCU frequency to 96 MHz from which 48 MHz is easy to derive.
Therefore, the Black Pill boards can run at 100 MHz, but if USB is enabled, the maximum MCU clock is 96 MHz.
Built-in LED
Notice, the Black Pill board have got a built-in LED attached to PC13. This is perfectly Ok, if you want to toggle the LED on or off. Unfortunately, no timer channel is connected to this pin, so it is not normally possible to regulate the intensity using PWM.
Fortunately, it is possible to do PWM by bit-banging the pin. See STM32 bit bang PWM for an explanation on how this can be done.
User Button
Some (but not all) Black Pill boards include a so-called "User Button". It is wired up like this:
Two things are important to notice here. First of all, the button simply shorts to GND when activated, but in order for that to actually result in a change, the internal pull-up resistor must be activated. Secondly, there are no form of electrical debounce circuitry, so if relying on interrupts, the debounce must happen in software.
Flash Layout
EEPROM Footprint
The Black Pill board usually have an unpopulated footprint on the reverse side of the PCB intended for a generic SPI Flash:
On the Board Info page, this is documented as:
Unfortunately, the clone Black Pill boards are wired up different. The DO (MISO) is not wired up to PB4 as indicated but rather PA6 (which makes more sense anyway). Using STM32CubeMX, the right configuration is:
USB
The STM32F411 MCU on the Black Pill boards can in principle run in USB Host mode. However, it is worth having a look at the schematics:
Both the CC lines are pulled to GND using a 5.1k resistor, which signals that this is a device, not a host. Also, there is no way to control the power delivery. In short, while the MCU on these boards can operate in USB Host mode, there is no way this can be reliably done on the Black Pill boards.
Miscellaneous Links
- Board Info
- Original Schematics ver. 2.0
- Original Schematics vers. 1.2
- STM32F411x Datasheet
- STM32F411xC/E advanced Arm®-based 32-bit MCUs Reference Manual
- Bare metal coding on the STM32F411/Black Pill
- Bit-bang PWM on built-in LED
Notice, most - if not all - clone boards match the 1.2 schematics.
